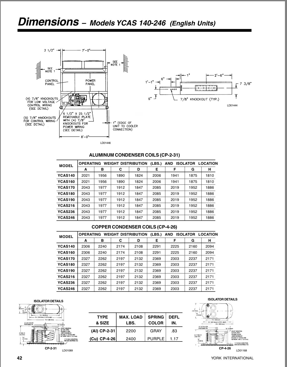
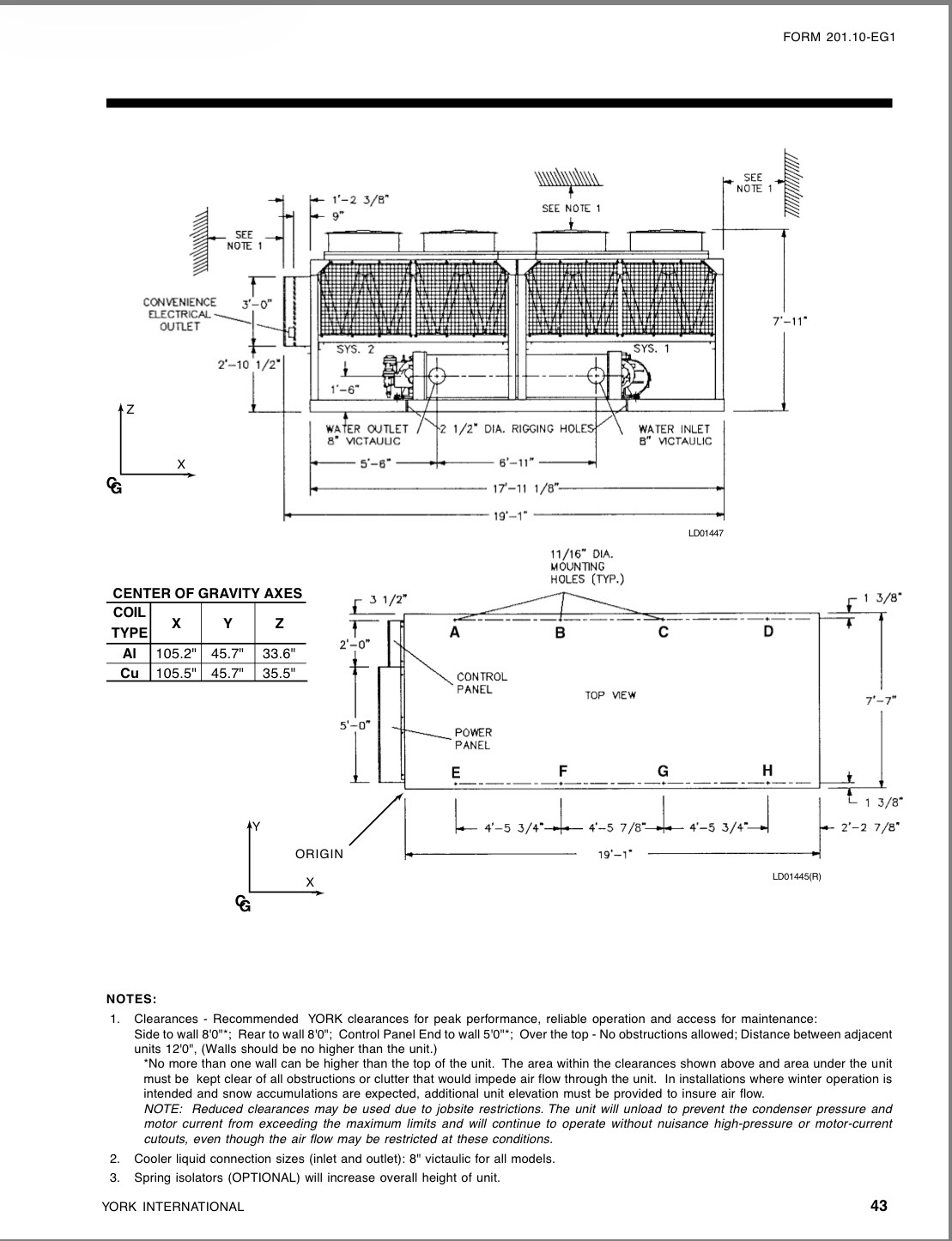
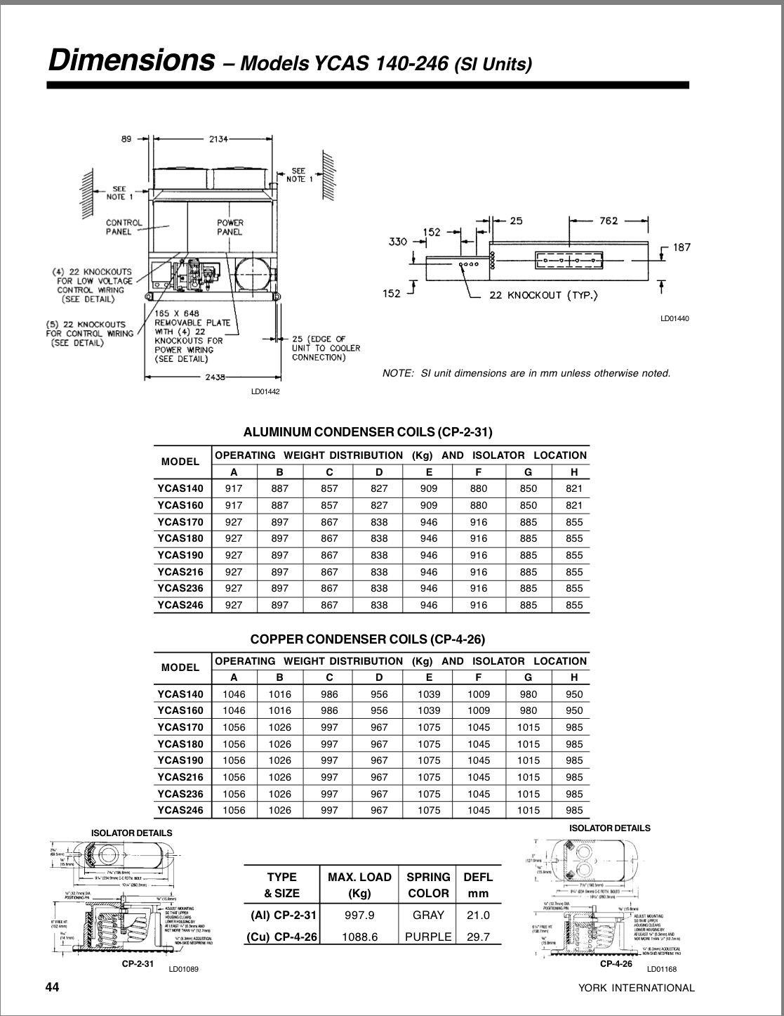
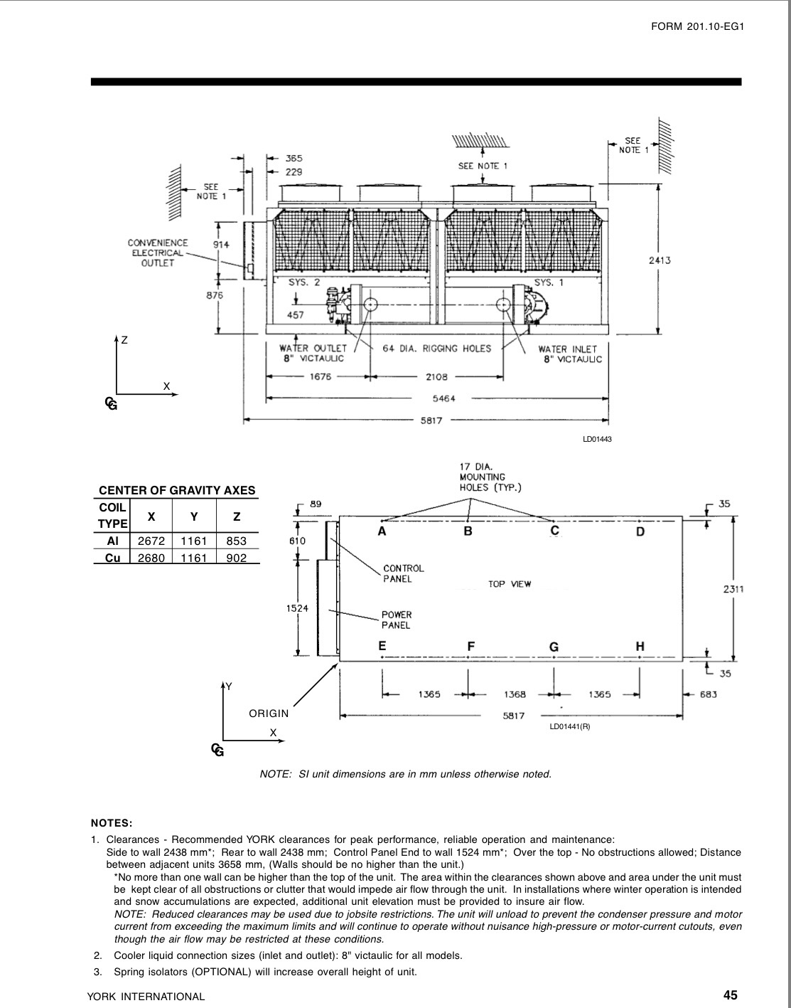
Description
Product Specification:
| Item #: | CH03123 |
| Size: | – |
| Brand: | -York |
| Model: | -YCAS178E846YGADBC |
| Condition: | -Working Takeout |
| Refrigerant: | -407C |
| Serial Number: | -RFMM005834 |
| Volt: | -460 V/ 3/ 60 HZ |
| Weight and Dimensions | [25′ x 7′ x7’/ Estimated 13,000 lbs] |
| PDF Sheet: | Factory Information [PDF] |
Description:
York Air Cooled Chiller
Model: YCAS178E846YGADBC
Refrigerant: 407C
Voltage: 460/ 3/ 60
Year: 2003
S/N: RFMM005834
History:
Removed from school system on routine change overseer to new machines as budgeted by NC State
To find out More about Products and Pricing or set up inspection:
- Phone: Call Now: 201 805 1441
- Email (direct): sales@refrigerationequipment.net
- Text / What’s App message: +201-805-1441









